
(1)差定温式探测器
差定温火灾探测器是利用热敏元件对温度的敏感性来检测环境温度,特别适用于发生火灾时有剧烈温升的场所,与感烟探测器配合使用更能可靠探测火灾,减少损失。

(2)光电感烟探头
光电感烟探头是一种检测燃烧产生的烟雾微粒的火灾探测器。光电感烟作为前期、早期火灾报警是非常有效的。对于要求火灾损失小的重要地点,火灾初期有阴燃阶段,产生大量的烟和少量的热,很少或没有火焰辐射的火灾,都适合选用。

(3)手动火灾报警按钮
手动火灾报警按钮主要安装在经常有人出入的公共场所中明显和便于操作的部位。当有人发现有火情的情况下,手动按下按钮,向报警控制器送出报警信号。
手动火灾报警按钮比探头报警更紧急,一般不需要确认。因此,手动报警按钮要求更可靠、更确切,处理火灾要求更快。

(4)消火栓按钮
消火栓按钮安装在消火栓箱中。当发现火情必须使用消火栓的情况下,手动按下按钮,向消防中心送出报警信号,在主机设置在自动时,将直接启动消火栓泵。

(5)喷淋头
发生火灾时,消防水通过喷淋头均匀洒出,对一定区域的火势起到控制。

温度达到68℃,玻璃球充液会破碎、消防水将喷出。

(6)水流指示
在喷淋系统的楼层支路管道上安装,每个单独的水系统各1个,当管网内的水流动,并且流量大于15L/min时,水流指示即因叶片受水流的冲击而改变开关的状态,发出报警讯号,从而起到检测和指示报警楼层的作用。


(7)湿式报警阀
它使水单向流动,依靠管网侧水压的降低而开启阀瓣,有一只喷头爆破就立即动作送水去灭火。

(8)排烟机
排烟系统是将烟气排出建筑物外,是人员安全疏散的重要保证。排烟机平时可以低速用于通风换气,火灾时远程启动高速排烟。

(9)排烟阀(板式排烟口)
在通风管上设排烟阀,平时关闭排烟阀,火灾时打开着火区的排烟阀.


(10)正压送风机
火灾时人员逃生通道应是楼梯间。因此,保持楼梯间的正压使烟火不得入内就十分重要了。正压风机一般处于屋顶,与各层的正压风阀联动。火灾初起时打开风阀,启动正压送风机,使楼梯间、电梯厅处于正压状态。

(11)正压送风阀
正压送风是阻止烟气进入疏散区域 。火灾时打开对应区域正压风机及对应正压送风阀,令新鲜空气高压充入,达到阻止烟气的目的。

(12)新风机组
楼外新鲜空气由机组吸入,经过温度增减调节和加湿处理后,通过送风风道送到各个房间。

(13)空调机组
少量的楼外新鲜空气和大量的室内回风由机组吸入,经过温度增减调节和加湿处理后,通过送风风道送到各个房间。

(14)防火阀
防火阀安装于空调风管回风口,当出现火情时关闭防火阀能阻断风管,起到两个作用:
1.不往火灾现场输送空气,避免助燃;
2.阻止火源从风管往其它地方扩散。

(15)消防电梯
火灾时,电梯无论在任何方向和位置,必须迫降到1层并自动开门以防困人。
到达1层后,电梯转入消防状态,可由消防救援人员根据情况进行消防运行

(16)消防广播
用于指挥疏散

(17)消防电话
用于消防中心和现场之间的通讯,启动多个可多方通话,可报警、核对警情、指挥救援和故障联络

(18)消火栓泵

(19)喷淋泵

(20)压力开关
在水的压力作用下,使其中的触点动作输出信号至消防中心主控制器、并同时联动喷淋泵动作。

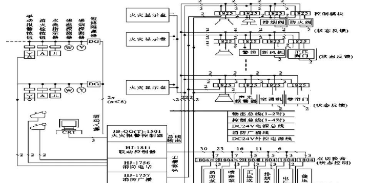
(21)控制器主机
火灾报警控制器是火灾自动报警控制系统的核心
① 能接收探测信号,转换成声、光报警信号,指示着火部位和记录报警信息。
②可通过火警发送装置启动火灾报警信号,或通过自动灭火控制装置启动自动灭火设备和联动控制设备。
③ 自动监视系统的正确运行和对特定故障给出声光报警。

(22)显示系统(CRT)
可以以平面图的形式显示你消防主机的烟感、温感及联动设备的位置;当现场设备出现火警、故障等状况,显示装置可以看到其出现状况的位置。

(24)防火卷帘门
防火卷帘门是现代高层建筑中不可缺少的防火设施,防火门除具备普通门的作用外,具有防火、隔烟、抑制火灾蔓延、保护人员疏散的特殊功能,广泛应用于高层建筑、大型商场等人员密集的场合。

(25)切断非消防电
火灾确定后,应能在消防控制室或配电室手动切断相关区域的非消防电源。可见,国家防火规范对非消防电源的切断做了严格的规定,即火灾确认后,才能切断非消防电源。这说明非消防电源的切断是个很严肃的问题,不能一有火警就立刻自动切断。
(26)可燃气体报警主机
可燃气体报警器也称气体泄露检测报警仪器。当工业环境、日常生活环境中可燃性气体发生泄露时,气体报警器检测到的可燃性气体浓度达到报警器设置的报警值时,可燃气体报警器就会发出声、光报警信号,并自动切断燃气切断阀、防止天然气继续泄露。从而提醒采取人员疏散、强制排风、关停设备等安全措施。

(27)空气采样报警主机(仓库区采用此种报警方式)
空气采样报警系统顾名思义是通过管道空气采样分析判断烟雾粒子浓度的一种烟雾探测器。探测器由吸气泵通过采样管对防火分区内的空气进行采样。空气采样到主机由主机里面的激光枪进行分析,得出空气中的烟雾粒子的浓度。如果超过预定浓度,主机进行报警。一般报警分四个阶段:警告、行动、火警1、火警2。
空气采样感烟探测器由于其独特的原理与构造,灵敏度是传统型的1000倍左右,能在更早的时间发现火情,所以空气采样探测器从原理上面来讲也叫极早期烟雾探测器。







